MENU
NOSHOK'S COVID-19 Response
  • Block & bleed design allows pressure to be bled off without disturbing the permanent piping installation, allowing quick and easy removal or replacement of instruments
  • 100% helium leak tested to 1 x 10-4 ml/s for guaranteed performance and reliability
  • Blow-out proof stem provides a secondary stem seal in the full open position
Unit of Measure

Specifications

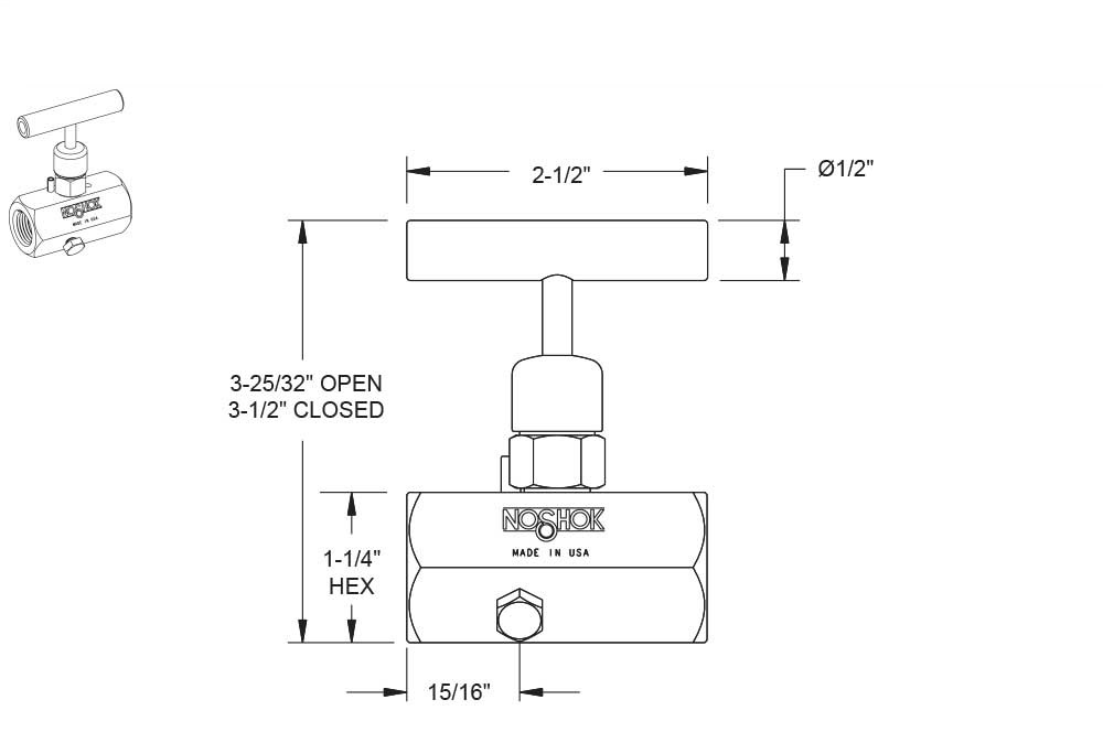
Type

N/A Needle Valve

Series

N/A 600

Connection Size

N/A 1/2 in

Valve Type

N/A Female-Female

Valve Material

N/A Steel

Material

N/A Zinc-Nickel Plated Steel

Stem Seal and Type

N/A All 316 Stainless Steel stems with Fluorocarbon (FKM) o-ring and Polytetrafluoroethylene (PTFE) back-up ring below the threads, Polytetrafluoroethylene (PTFE) or Graphite packing optional

Pressure Ratings at 200 Degree Fahrenheit (ºF) Temperature

N/A 10,000 psi

Weight

N/A 1.3 lb

Orifice Size

N/A 0.187 in

Cv Coefficient

N/A 0.44

Thread Type

N/A Unified Fine Thread (UNF) 2A

Warranty

N/A 3 yr

Connection Type

N/A National Pipe Thread (NPT)

Additional Options

Additional Options

N/A
  • O-Rings
    • EPDM (EM1)
    • FFKM (Perfluoroelastomer 3018 or equivalent) (KZ1)
    • NBR (NB1)
  • Handles
    • 1-3/8" Phenolic (HL4)
    • 1-3/4" Phenolic (HL5 )

Prop 65 Warnings

Prop 65 Warnings

N/A
WARNING: This product can expose you to chemicals including Lead and Nickel, which are known to the State of California to cause cancer and birth defects or other reproductive harm. For more information go to www.P65Warnings.ca.gov

Limitations Which Apply Are

Limitations Which Apply Are

N/A These units must be operated within the catalogued environmental and application parameters. Determination of failure will be made by NOSHOK, Inc.'s equipment and personnel or a certified test facility specializing in this type of evaluation.

In keeping with and for purposes of product and/or manufacturing process improvements, NOSHOK, Inc. reserves the right to make design changes without prior notice.

Additional Information

Additional Information

N/A
  • FKM o-ring seal and PTFE back-up ring below the stem threads to protect from corrosion and galling; PTFE or Graphite packing optional
  • All stem threads are rolled for strength and ease of operation
  • One-piece bonnet with a metal-to-metal seal to the valve body below the bonnet threads
  • Slotted spring pin to prevent accidental loosening
  • Vinyl dust cap for bonnet and stem (non-packing)
  • 0.090" bleed hole located on the bottom is controlled by a 1/4"-20 UNF-2A bleed screw

Options and Accessories

Installed Options and Accessories

N/A
  • Packing (If a packing option is chosen, maximum pressure rating is 6,000 psi. Refer to the Pressure vs. Temperature: Packing Style with Compatible Fluid chart Options Reference Chart)
    • PTFE (P1)
    • Graphite (P2)
  • Stem Tips
    • Non-rotating (316 Stainless Steel) (T1)
    • Ball, 440C Stainless Steel (T5)
    • Ball, carbide (T6)
    • Ball, ceramic (T7)
    • Ball, Monel (T8)
    • Non-rotating regulating, 316 Stainless Steel (T9)
  • O-Rings (Other o-ring materials available on request)
    • EPDM (EM1)
    • FFKM (Perfluoroelastomer) 3018 or equivalent (KZ1)
    • NBR (NB1)
  • Panel Mount
    • 1 nut (PM1)
    • 2 nuts (PM2)
  • Handles
    • 1-3/8" Phenolic Handle (HL4)
    • 1-3/4" Phenolic Handle (HL5)
  • Cleaning For Oxygen Service (Stainless Steel Only)

Assembly Options

N/A NOSHOK offers multiple assembly options to meet your specific system requirements. Consult factory to discuss your customized solution.

Note

Note

N/A Please note that the standard o-ring in all the NOSHOK valves is FKM and the standard handles are "T" handles (HL2).

The handle material will always match the material of the valve, unless otherwise specified. For example, the "T" handle (HL2) on the 602-FFC will be steel. When only the standard configuration is needed, no additional designations are necessary. Please consult the factory for special application requests.

All NOSHOK valve products conform to the MSS SP-99 instrument valves standards, and valves supplied with packing also conform to MSS SP-132 compression packing systems for instrument valves standard.

O-Ring - Other o-ring materials available on request.